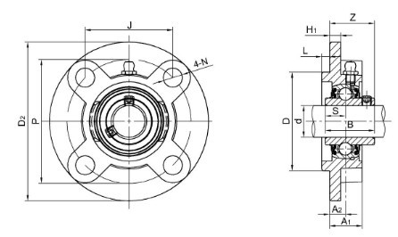
سری SSUCFC
دانلود
با ما تماس بگیرید
به اشتراک گذاشتن برای
بلبرینگ های استیل ضد زنگ درب دار (دارای مهر و موم یا محافظ) یا باز هستند. یاتاقان های باز که دربندی نیز موجود هستند ممکن است در قسمت های سمت حلقه دارای فرو رفتگی باشند. این یاتاقان ها نسبت به یاطاقان های هم اندازه ساخته شده از فولاد کروم بالا ، ظرفیت حمل بار کمتری دارند.
یاتاقان های فولادی ضد زنگ قابلیت های منحصر به فردی برای پردازش و بسته بندی مواد غذایی ، نوشیدنی ، تجهیزات پزشکی و دریایی به همراه دارند. مهندسان کیلیان برای برآورده ساختن سخت ترین الزامات کاربرد ، تخصص پیشرفته طراحی تحمل را با دانش گسترده صنعت ترکیب می کنند.
>>
<<
>>
<<

